氧含量傳感器
更新時間:2026-03-20
產品型號:WX-QT5
產品價格:電議
產品品牌:萬象環境
銷售電話:15666889815
銷售QQ:1950883583
公司地址:山東省濰坊高新區新城街道玉清社區光電路155號濰坊高新區光電產業加速器(一期)1號樓301
更新時間:2026-03-20
產品型號:WX-QT5
產品價格:電議
產品品牌:萬象環境
一、技術參數
氧含量傳感器又稱含氧量傳感器,氧氣電化學傳感器,氧含量傳感器是一種用于實時監測環境中氧氣濃度的傳感器,其核心作用在于確保氧氣濃度在安全、適宜的范圍內,從而保護人體健康和生產安全。無論是醫療領域的氧氣供應監測,還是工業領域的燃燒控制都可輕松應對
型號 | 測量參數 | 測量范圍 | 精度 | 分辨率 | 單位 | 工作溫度 | 工作濕度 |
QT1 | 一氧化碳 | 0-1000PPM | ±2PPM | 1PPM | PPM | -20℃-+50℃ | 10-95%RH無冷凝 |
QT1S | 0-20PPM | ≤±5% | 0.01PPM | PPM | -20℃-+50℃ | 10-95%RH無冷凝 | |
QT2 | 二氧化硫 | 0-20PPM | ±1PPM | 0.1PPM | PPM | -20℃-+50℃ | 10-95%RH無冷凝 |
QT2S | 0-1PPM | ≤±5% | 0.001ppm | PPM | -20℃-+50℃ | 10-95%RH無冷凝 | |
QT3 | 二氧化氮 | 0-20PPM | ±1PPM | 0.1PPM | PPM | -20℃-+50℃ | 10-95%RH無冷凝 |
QT3S | 0-1PPM | ≤±5% | 0.001ppm | PPM | -20℃-+50℃ | 10-95%RH無冷凝 | |
QT4 | 臭氧 | 0-20PPM | ±1PPM | 0.1PPM | PPM | -20℃-+50℃ | 10-95%RH無冷凝 |
QT4S | 0-1PPM | ≤±5% | 0.001ppm | PPM | -20℃-+50℃ | 10-95%RH無冷凝 | |
QT5 | 氧含量 | 0~30%VOL | ±3%FS | 0.1%VOL | VOL | -20℃-+50℃ | 5-95%RH 無冷凝 |
QT6 | 負氧離子 | 0~10萬 個/cm3 | ±10% | 10個/cm3 | 個/cm3 | +10℃-+70℃ | 10-70%RH無冷凝 |
QT7 | 硫化氫 | 0-100PPM | ±2PPM | 1PPM | PPM | -20℃-+50℃ | 10-95%RH無冷凝 |
QT8 | 甲烷 | 0-100%LEL | ≤±3% | 1%LEL | LEL | -20℃-+50℃ | 10-95%RH無冷凝 |
QT9 | TVOC | 0-100PPM | 55±15 nA/ppm | 1PPM | PPM | -20℃-+50℃ | 10-95%RH無冷凝 |
QT10 | 氨氣 | 0-100PPM | ±4PPM | 1PPM | PPM | -20℃-+50℃ | 10-95%RH無冷凝 |
QT11 | 一氧化氮 | 0-250PPM | -2~10PPM | 1PPM | PPM | -20℃-+50℃ | 10-95%RH無冷凝 |
QT12 | 甲醛 | 0-10PPM | <1PPM | 0.1PPM | PPM | -20℃-+50℃ | 10-95%RH無冷凝 |
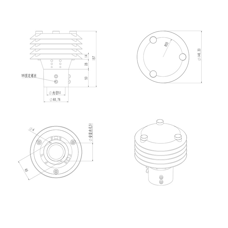
二、產品尺寸圖

雷達雨量傳感器——一款多樣化和精確化的雷達雨量計
2024-03-13光學雨量傳感器:雨滴測量的技術革新
2025-10-17天氣現象傳感器:穩定可靠的“性能擔當”
2025-09-08城市環境監測傳感器如何解碼城市呼吸?
2025-10-22翻斗雨量計,既傳統,又精確的雨量監測傳感器
2025-07-22蒸發量傳感器——精準捕捉蒸發動態
2026-03-18雷達水位流速一體機有什么作用?
2025-02-11氣象五參數監測儀——全能型氣象儀
2024-02-02輸電線路結冰傳感器:極端環境下的“線路守護神”
2025-09-18能見度傳感器,道路交通氣象監測不再難!
2025-07-22